RobFish.com
RobFish.com
RobFish.com
Space covered by header Large Screens
Space covered by header Medium Screens
Space covered by header Small Screens.

Am I the Rob Fish you're looking for?

1) I don't carp about it when I hear fish puns. In fact, I've been known to tell one or two myself, just for the halibut.

2) I graduated from WYHS.

3) I wanted to name the first of our three kids "Theodore, Ulysses, Nicholas, Alexander," but Paula refused to go along. I'm sure our oldest son is really happy everyone calls him "Chris Fish" instead of "Tuna Fish."

4) I moved to Illinois a few years after Paula died because I'd fallen in love with a wonderful woman who lives there.

5) I play pickleball.

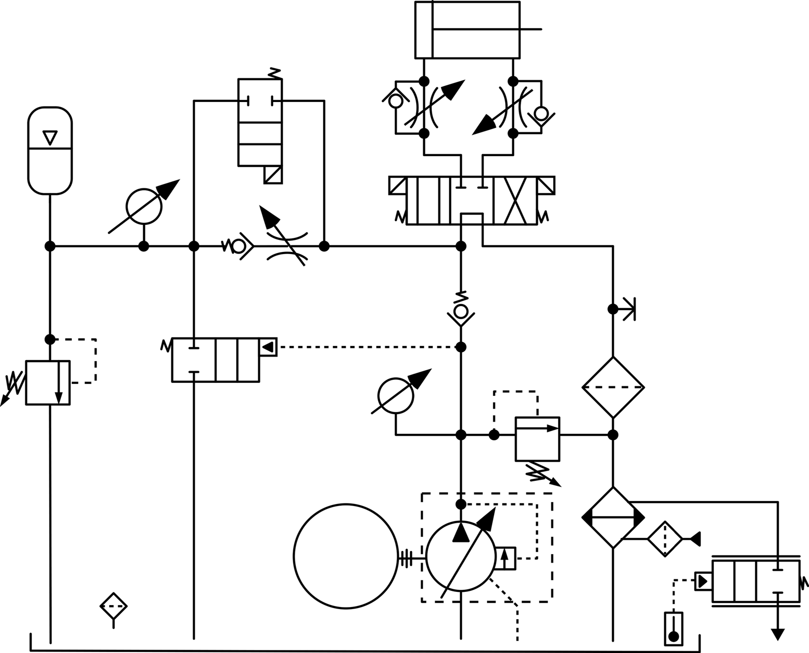
6) It would take me less than a minute to find the three major issues with this hydraulic circuit. Two of the issues keep the circuit from functioning properly and the third make it generate more heat than necessary:

Basic Hydraulic Training Schematic 00
Basic Hydraulic Training Schematic 03
L
Basic Hydraulic Training Schematic 02
M
Basic Hydraulic Training Schematic 01
S

If you work with hydraulics and can't figure out all three of those issues, there's an on-site Basic Hydraulics Boot Camp you should check out.

It I'm the Rob Fish you're looking for, my email address is rob@robfish.com .

I guess I should point out that my email address is rob@robfish.com even if I'm not the Rob Fish you're looking for.